電動機遠程控制器使用說明
電動機\水泵遠程控制器是本公司專門為方便遠程控制水泵、電動機研發的新一代遙控設備,具有適應電壓范圍寬,遙控距離遠,使用簡單,功能穩定,控制方便的特點。
二、技術參數:
電源輸入電壓:AC350~410V。
頻率:50Hz。
控制額定負載:AC380V 7.5kW。
工作環境溫度:-15~+70℃。
工作環境濕度:RH20~95%。
最大遙控距離:空曠地帶500m左右。
遙控器電池:23A 12V電池。
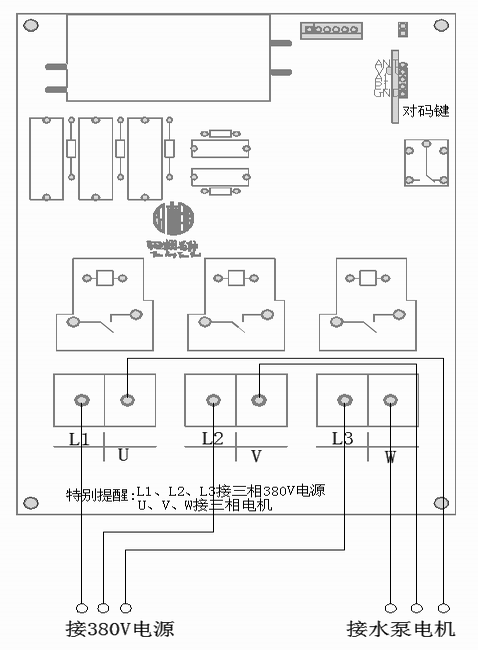
三、外觀:
四、安裝使用說明:
1.收到產品以后,請務必先檢查外觀有無損壞,然后打開機殼,檢查內部線路有無脫落或損傷,如果有以上情況,請第一時間聯系經銷商或廠家更換。
2.接線:按照線路板上的標示接入380V三相輸入電源線,電機線。
3.調試使用:檢查線路接入無誤,即可送電試機。
檢查水泵、電機運行方向:按“啟動/停止”鍵觀察水泵排水或電機電流是否正常,如果如果不排水或電流偏小,立即按“啟動/停止”鍵關閉電機,然后將電機的其中兩條線反接。
4.遙控調試:遙控器裝入電池,分別按遙控器的ON(啟動),OFF(停止),觀察水泵\電機正常啟動、停止即可,此時您的設備可以正常使用了。
五、遙控器更換配置:
按一下控制模塊上的對碼設置鍵立即松開,指示燈亮起,按遙控器第一鍵(正轉鍵)一次,燈閃一次,按遙控器第二鍵(反轉鍵)一次,燈閃一次,按遙控器第三鍵(停止停)一次,燈熄滅即可。如只學習2鍵遙控器時,則在學習完第二鍵后按對碼設置鍵一次退出學習模式即可。
六、遙控主板功能設置:
1.互鎖:遙控模塊設置鍵連按2次,指示燈閃2下。(本控制器采用互鎖模式,即正轉運行時反轉禁止啟動,反轉運行時正轉禁止啟動)
2.非鎖:遙控模塊設置鍵連按3次,指示燈閃3下。(按鍵按下運行,松開停止)
3.遙控器解綁:遙控模塊上的設置鍵快速連按三下(或長按模塊設置鍵8秒以上),指示燈快閃后熄滅即可解綁。
七、故障排除:
1.設備送電無反應,指示燈不亮:檢查線路是否有電。
2.遙控器不能遙控:檢查遙控器指示燈是否閃亮,如果不亮,檢查內部是否裝有電池,電池是否有電;如果指示燈閃亮,請重新對遙控器進行對碼配置。
3.遙控距離短:檢查電池是否電量不足。
八、注意事項:
咨詢電話:18654720466(微信同號)